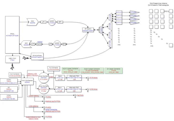
Selon cnx-software, l’AERIS-10 est un radar à réseau multiéléments open source et économique qui fonctionne à 10,5 GHz. Ce système utilise une modulation de fréquence linéaire à impulsions (LFM) et repose sur un FPGA de modèle AMD Artix-7.
Portée impressionnante avec AERIS-10N et AERIS-10X : jusqu’à 20 km!
Il existe deux variantes de cet appareil. L’AERIS-10N, ou Nexus, peut atteindre une portée de 3 km grâce à son réseau d’antennes patchs disposées en 8 × 16. D’un autre côté, l’AERIS-10X, ou version étendue, perfectionne cette portée jusqu’à 20 km via un réseau avancé de guides d’ondes remplis de diélectrique en 32 × 16.

Composants avancés : FPGA AMD Artix-7 et fonctionnalités de traitement sophistiquées
Le cœur de l’AERIS-10 repose sur plusieurs principaux composants et caractéristiques. Le système utilise un FPGA AMD Artix-7 XC7A100T, qui facilite la génération de gazouillis PLFM via un DAC, la lecture des données d’ADC brutes, le contrôle automatique du gain, ainsi que diverses fonctions de traitement comme la décimation, la filtration, et la compression d’impulsion. Il permet également le traitement Doppler, MTI et CFAR, tout en incluant une interface USB.
La gestion de l’alimentation et la communication avec le FPGA sont confiées au microcontrôleur ST STM32F746xx. Ce dernier interface les composants de l’architecture, tels que le synthétiseur de fréquence et l’amplificateur de puissance. L’équipement est également enrichi par divers modules, incluant un GPS, une unité de mesure inertielle GY-85 pour la correction des coordonnées, ainsi qu’un baromètre BMP180 pour des fonctionnalités avancées.

L’AERIS-10 peut se vanter d’une interface graphique Python conviviale qui offre un traçage de cibles en temps réel, une intégration de cartes, ainsi qu’un contrôle de radar efficace. Toutes les ressources, y compris les schémas EAGLE, la disposition des PCB et divers fichiers nécessaires, sont disponibles sur GitHub sous une licence matérielle ouverte du CERN (CERN-OHL-P), et le code FPGA ainsi que le micrologiciel STM32 sont sous licence MIT. Il convient de noter qu’un guide d’assemblage est encore en attente dans le référentiel.

Ce radar à faible coût s’adresse principalement aux chercheurs, aux développeurs de drones et aux passionnés de SDR, tous désireux d’expérimenter avec la technologie de radar multiéléments. À propos des coûts, il est intéressant de noter qu’un post de chiefofautism se penche sur les alternatives commerciales, affichant des prix initiaux de 250 000 $ pour des systèmes radars conventionnels, tandis que les surplus militaires varient entre 10 000 $ et 50 000 $. Ces systèmes, souvent obsolètes, manquent souvent de précision dans la direction du faisceau, ce qui rend l’AERIS-10 particulièrement attrayant.
Une évaluation plus précise vient d’un article de Daniel Bogdanoff qui récapitule les coûts des composants clés. Par exemple, les mélangeurs LTC5552 coûtent environ 120 $ au total, tandis que les déphaseurs ADAR1000 atteignent 780 $. Les 16 puces frontales ADTR1107 s’élèvent à environ 3600 $, et le FPGA AMD ADTXC7A100T est estimé à environ 200 $. Ainsi, le coût total des pièces pour l’AERIS-10N avoisine les 5 000 $, hors cartes, dont le coût peut varier entre 1 000 $ et 3 000 $. Le modèle AERIS-10X, incluant 16 amplificateurs QPA2962TR7, pourrait atteindre un coût total entre 13 000 $ et 15 000 $, restant cependant sur le segment économique dans son domaine.

Notez que l’AERIS-10 n’est pas proposé sous forme de kit préassemblé, ce qui nécessite un effort pour son assemblage. Il est impératif de vous assurer que vous possédez toutes les licences nécessaires pour utiliser cet équipement, conformément aux réglementations locales du FCC. Étant donné que cette technologie peut avoir des applications à double usage, il est conseillé de vérifier auprès des autorités locales afin d’éviter toute surprise éventuelle.
-
Yoeruers 2X Module de Détection Radar LD1040 10G Capteur de Perception Intelligent à Micro-Mouvement à Faible Consommation
-
OUHKDM Détecteurs de radars, détecteur de Radar pour Voitures, alertes vocales, réaction Rapide, système d'alerte de Vitesse du véhicule en Temps réel, détecteur de radars de Voiture GPS V8 avec
